高中物理学习一定要抓好逻辑结构大框架!了解整个知识框架体系后,更易抓住骨干知识,干掉重难知识点。今天,北京高考在线团队分享给同学们的知识点就是高中物理的框架图啦,真真的良心干货啊,拯救更多还在物理苦海中挣扎的小伙伴!
知识点:2026北京高考各科目知识点汇总
北京高中学生看过来,我们为大家准备了【北京高考在线网站交流群】,群内每日分享高中升学政策、大学招生动态、竞赛、强基综评特招、科目备考知识等内容,还可以与群内小伙伴一起交流学习~
扫码进群吧~
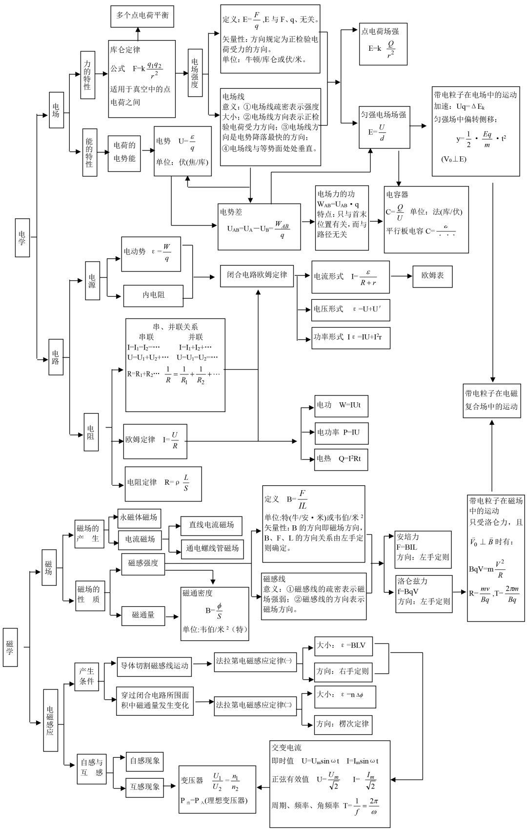
2026北京高考高中物理框架图
力学知识结构图


光学知识结构图

热学、原子物理知识结构图

电磁学知识结构图




























